Магазин запчастей для бытовой техники - Arlos
Москва
close
Выберите ваш регион
АбаканАлександровАльметьевскАнгарскАрзамасАрмавирАртемАрхангельскАстраханьАчинскБалаковоБалашихаБеларусьБелгородБердскБерезникиБийскБлаговещенскБратскБрянскВеликий НовгородВидноеВладивостокВладикавказВладимирВолгоградВолгодонскВолжскийВологдаВолховВоркутаВоронежВоскресенскВыборгГатчинаГеленджикГрозныйДедовскДербентДзержинскДзержинскийДимитровградДмитровДолгопрудныйДомодедовоДонецкЕвпаторияЕгорьевскЕкатеринбургЕлецЕссентукиЖелезногорскЖелезнодорожныйЖуковскийЗеленоградЗлатоустИвановоИвантеевкаИжевскИркутскИстраЙошкар-ОлаКазаньКалининградКалугаКаменск-УральскийКамышинКаспийскКемеровоКерчьКировКисловодскКлинКовровКоломнаКомсомольск-на-АмуреКопейскКоролёвКостромаКотельникиКрасногорскКраснодарКраснознаменскКрасноярскКурганКурскКызылЛенинск-КузнецкийЛипецкЛобняЛыткариноЛюберцыМагнитогорскМайкопМалаховкаМахачкалаМиассМоскваМурманскМуромМытищиНабережные ЧелныНазраньНальчикНаро-ФоминскНахабиноНаходкаНевинномысскНефтекамскНефтеюганскНижневартовскНижнекамскНижний НовгородНижний ТагилНовокузнецкНовокуйбышевскНовомосковскНовороссийскНовосибирскНовоуральскНовочебоксарскНовочеркасскНовошахтинскНовый УренгойНогинскНорильскНоябрьскОбнинскОдинцовоОктябрьскийОмскОрелОренбургОрехово-ЗуевоОрскПавловский ПосадПензаПервоуральскПермьПетрозаводскПетропавловск-КамчатскийПодольскПрокопьевскПсковПушкиноПятигорскРаменскоеРеутовРостов-на-ДонуРубцовскРыбинскРязаньСакиСалаватСамараСанкт-ПетербургСаранскСаратовСевастопольСеверодвинскСеверскСергиев ПосадСерпуховСимферопольСмоленскСосновый БорСочиСтавропольСтарый ОсколСтерлитамакСтупиноСургутСызраньСыктывкарТаганрогТамбовТверьТихвинТольяттиТомилиноТомскТроицкТулаТюменьУлан-УдэУльяновскУссурийскУсть-ИлимскУфаУхтаФеодосияФрязиноХабаровскХанты-МансийскХасавюртХимкиЧебоксарыЧелябинскЧереповецЧеркесскЧеховЧитаШахтыЩелковоЭлектростальЭлистаЭнгельсЮжно-СахалинскЯкутскЯлтаЯрославль
  • - бесплатно по РФ
    Автоперезвон. Работает по принципу: Вы позвонили на номер, мы сбрасываем звонок и перезваниваем через 3 секунды.
  • - по Москве
  • 8 (925) 663-83-63

Call-центр

пн-вс: 10:00-19:00

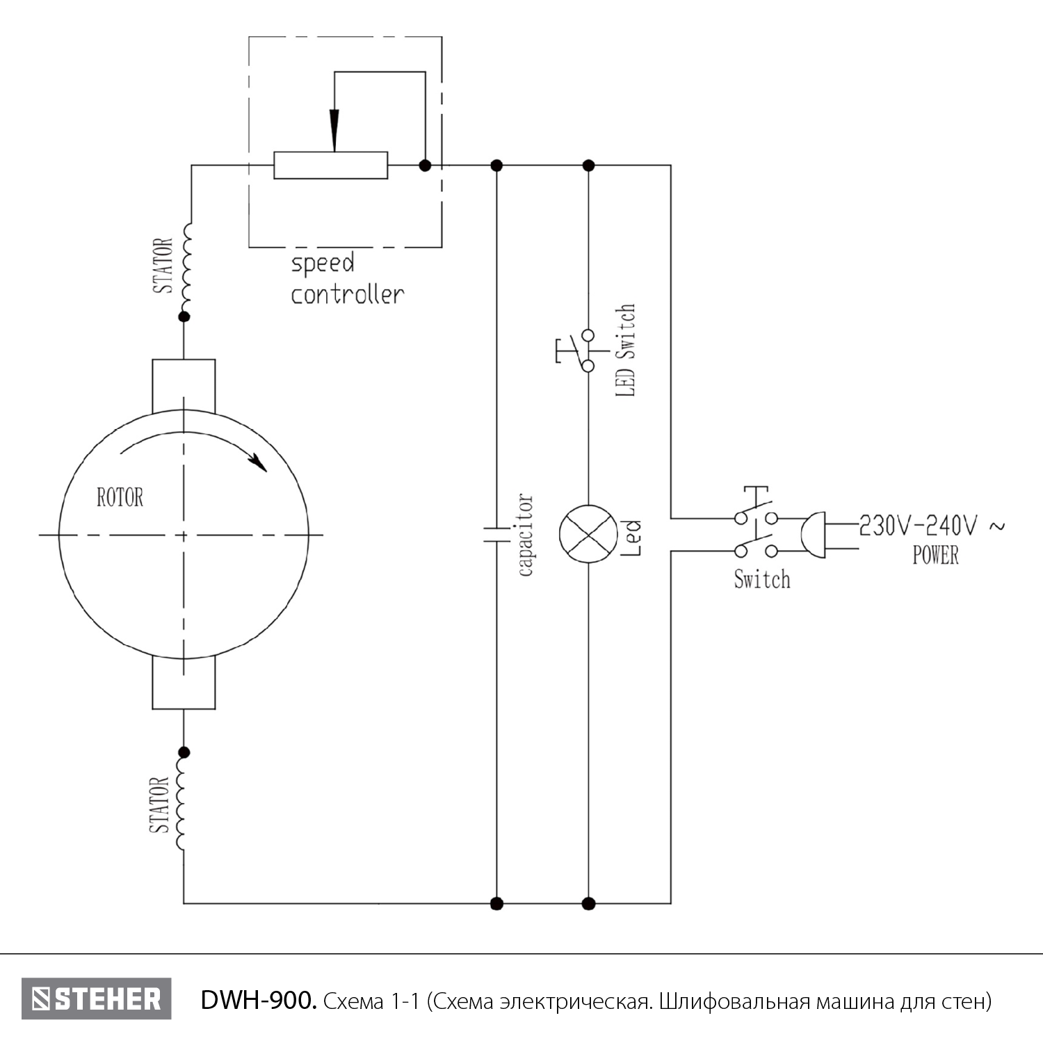
Шлифовальная машина для стен DWH-900

Данная модель имеет несколько схем

NАртикулНазваниеСрок отгрузкиЦенаКупить
U009-600-2RS Подшипник шариковый 6002-2RS (32x15x9) CCEB U009-600-2RS 404 р.
1.09 U009-607-RS0 Подшипник шариковый 607 RS (19х7х6) U009-607-RS0 для болгарок УШМ-П125-850, AGS-125-1000 286 р.
1.20 U009-608-RS0 Подшипник шариковый 608-2RS (22х8х7) U009-608-RS0 для пил ЗПС-850 Э, ЗПТ-210-1300-Л 306 р.
2.36 N000-040-629 Корпус в сборе левая и правая часть (EV2.36)
3 N000-040-630 Блок электронный регулятор оборотов
4 V000-006-408 Шнур сетевой H05VV-F PVC 2х0.75мм2 5м
8 N000-040-631 Статор КДС
9 N000-040-632 Втулка подшипника 607 резиновая
11 N000-040-633 Крышка пылезащитная задняя
12 N000-040-634 Ротор КДС
13 N000-040-635 Крыльчатка
14 N000-040-636 Крышка пылезащитная передняя
15 N000-040-637 Втулка подшипника 608 Al
17 V000-003-515 Выключатель JIABEN FA1-6C-1108D 8(8)A 250V
19 N000-040-540 Кольцо стопорное D10
20 N000-040-638 Шестерня ведомая
21 N000-040-639 Кольцо стопорное D32 сжимное
23 N000-040-640 Крышка корпуса редуктора
24 N000-040-641 Кольцо уплотнительное D25хd18х3
26.32 N000-040-642 Защита от пыли левая и правая часть
27 N000-040-643 Штифт D3х14
28 N000-040-644 Пружина
29 N000-040-645 Вал выходной
31 N000-040-646 Шпиндель
33 N000-040-647 Щеткодержатель (пара)
34 N000-040-648 Щетка графитовая (пара) 5х8х14
35 N000-040-649 Крышка щеткодержателя (пара)
37 N000-040-650 Крышка платы
38.39 V000-004-636 Блок электронный питания подсветки с лентой подсветки в сборе #
40 V000-003-516 Выключатель подсветки 250В
41 N000-040-652 Крышка кожуха подсветки
44 N000-040-653 Шайба
45 N000-040-654 Регулятор воздушного потока
46 N000-040-655 Пластина
49 N000-040-656 Защита подсветки
50 N000-040-657 Корпус тарелки
51 N000-040-658 Накладка съемная
51A N000-040-659 Вставка сменная
52 N000-040-660 Платформа круглая D176
57 N000-040-661 Рукоятка дополнительная
58 N000-040-662 Пластина
60 N000-040-663 Основание кожуха
61 N000-040-627 Шланг пылеотводный
62 N000-040-664 Переходник к пылесосу
63 N000-040-665 Рукоятка дополнительная
66 N000-040-666 Шайба D18хd14х0.7
67 N000-040-628 Пылесборник
Найдено товаров: 47
1
▲ Наверх
0
8 (925) 663-83-63

Call-центр

пн-вс: 10:00-19:00

НАЙТИ ПО МОДЕЛИ
Введите номер заказа
Введите номер своего заказа, что бы узнать его текущий статус.
Что бы получить доступ к расширенным функциям, пройдите не сложную регистрацию. Зарегистрироваться